Frequency domain, multi-tone harmonic balance, simulation of scattering parameters and noise in nonlinear circuits containing Josephson junctions. Scattering parameter conversion and interconnection.
- Updated
- Julia
![]() |
VOOZH | about |
Frequency domain, multi-tone harmonic balance, simulation of scattering parameters and noise in nonlinear circuits containing Josephson junctions. Scattering parameter conversion and interconnection.
Analysis of linear systems using admittance models
Touchstone file parsing and visualizing in Julia
[PIMRC2024] Official Pytorch implementation of "Human Detection Based on Learning and Classification of Radio Scattering Parameters and Para-Hermitian Eigenvalue Decomposition"
Nicholson-Ross-Weir (NRW) method in python for calculating refractive index, permittivity and permeability from scattering parameters (S11/S21).
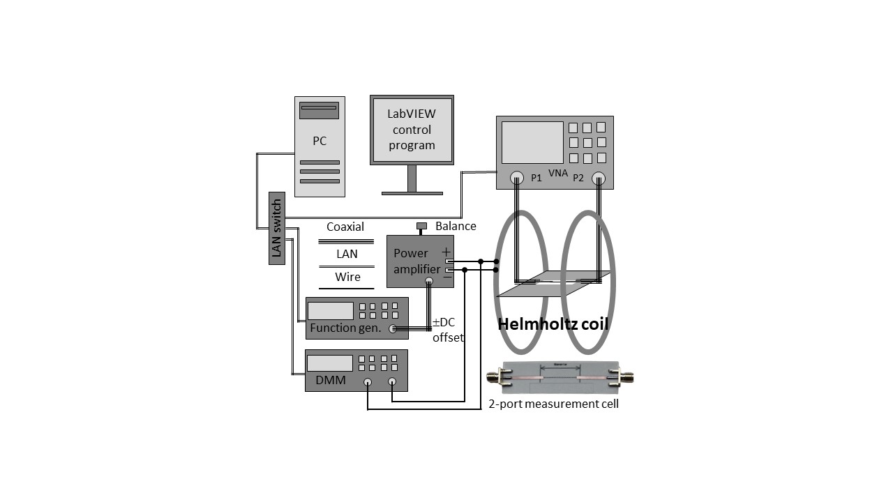
Calibration and deembedding for impedance measurments on PCB cells
Save and load network parameters in the Touchstone file format
Design and Implementation of a Microwave Laboratory for Composite Material Testing
This project utilizes TensorFlow and Keras to apply neural networks (Basic, LSTM, and GRU) to predict input parameters for a human head-antenna system using scattering parameters. The GRU model consistently outperforms others, showcasing its potential for accurate predictions
Read microwave network scattering parameters from CITIfile-formatted files
Add a description, image, and links to the scattering-parameters topic page so that developers can more easily learn about it.
To associate your repository with the scattering-parameters topic, visit your repo's landing page and select "manage topics."